搜索

[维修养护] 汽车防护

蒙蒙雨 发表于 2015-7-20 22:39:49|来自: | 显示全部楼层 |阅读模式

第一节汽车太阳膜

一、太阳膜的种类

二、太阳膜的性能指标 1.清晰性能 2.隔热率 3.防爆 4.紫外线隔断率 5.颜色 6.胶与颗粒泡 7.防眩光 8.膜面防划伤层(耐磨保护层)

三、汽车防爆太阳膜的功能

(1)创造最佳美感

防爆太阳膜能使汽车的风窗玻璃显现艳丽悦目的颜色。

(2)提高防爆性能

汽车防爆太阳膜可以提升意外发生时汽车的安全性能,使汽车玻璃破碎的可能性降到最低,最大限度地避免意外事故对乘员的伤害。

(3)提高空调效能

汽车防爆太阳膜的隔热率可达50%~95%,能有效阻断阳光热量进入车内有效地降低汽车空调的使用,节省燃油,提高空调效率。

(4)抵御有害紫外线

紫外线辐射具有杀菌作用,但对人的肌肤也具有侵害力,对于乘员来说,长时间乘车时,人体基本上处于静止状态,此时更易受到紫外线伤害,造成皮肤疾病。

(5)保证乘车隐秘性

防爆太阳膜具有单向透视性,可保证乘车的隐秘性。

四、太阳膜选用原则 1.膜的透光度和清晰性 2.隔热率是体现隔热性能的重要指标 3.防爆性能 4.紫外线阻隔率 5.颜色 6.膜面防划伤层

五、前风窗玻璃太阳膜的选择

六、汽车防爆膜质量鉴别 (1)看 1)看透光率。 2)看颜色。

3)看气泡。 (2)摸优质太阳膜摸捏时有厚实平滑感,劣质太阳膜手感薄而脆。 (3)试对于太阳膜的隔热性只凭肉眼看和手摸是很难鉴别的,可以通过一个简单的测试方法来作比较,在一个碘钨灯上放一块贴着太阳膜的玻璃,用手感觉不到一丝热的是优质太阳膜,而立即有烫手感觉的则是隔热性较差的劣质太阳膜。

七、太阳膜的安装

(1)外部清洗从乘客前侧门的位置开始以顺时针方向,清洁每块玻璃的外表面。 (2)轮廓裁切在车窗玻璃外表面上喷洒少量的窗膜安装液,把太阳膜覆盖其上,剥离膜朝外,小心地滑动定位后,开始沿边框四周裁剪窗膜的大小。(3)热定形由于几乎所有玻璃窗都有轻微的球形弯曲,妨碍窗膜在玻璃上铺平,这种现象被称作为皱褶。 (4)玻璃内表面清洗当裁切和热定形完成后,玻璃的内表面必须采用液体清洗剂清洗处理。 (5)剥离保护膜玻璃清洗完成后,撕去太阳膜的保护膜,用安装液喷洒暴露的安装胶。 (6)太阳膜的铺贴随着保护膜的剥离和安装液喷洒在玻璃与太阳膜的粘胶层上,将太阳膜小心地滑移到位。 (7)挤水工艺太阳膜滑移到位后,应立即在太阳膜表面再次喷洒安装液,润滑需挤水的表面。 (8)边部检查、密封边缘检查太阳膜的所有边缘,并用特氟隆硬片(或其他同系列工具)挤封。(9)最后清洁和检查安装工作完成后,仔细地擦洗所有的车窗玻璃(内表面和外表面),去除条纹水迹和污迹。 (10)移交在日光下检查有无缺陷后,准备提交汽车给客户,并向客户解释基本的保养和维护。

八、粘贴太阳膜的注意事项

(1)使用专用无尘贴膜间汽车玻璃贴膜过程中,不能有任何的疵点和杂物颗粒,因此专业安装必须在无尘贴膜间内施工。 (2)使用贴膜专业工具材质粗糙的非专用工具功能模糊,往往一物多用。 (3)使用专用化学药水贴膜应使用专用贴膜清洗液和安装液,并用纯净水兑稀,使玻璃达到最佳清洁程度,使膜与玻璃达到最大粘结强度,不引起翘边、脱层的缺陷,达到长期的质保效果。(4)注意安装工艺技术专业的贴膜师应经过生产厂商技术培训,贴前后风窗玻璃时应采用整张铺贴和干法热定形工艺,太阳膜应最大化地贴到玻璃窗的边缘等。 (5)注意安装时防护措施贴膜时应该采取防护措施,防止在安装过程中刮花漆面、损伤车内装饰品、造成车内电器和音响因受潮而短路失效;避免因安装窗膜而座椅受潮损伤、仪表板表面意外刮伤或因受潮而失灵。

第二节汽车防盗装置

一、常见汽车防盗装置的种类

1.机械式防盗装置

2.电子防盗装置 1)服务功能。 2)警惕提示功能。 3)报警提示功能。 4)防盗功能。

3.芯片式数码防盗器

4.网络式防盗系统

5.典型汽车防盗系统基本原理

(1)点火控制型防盗器点火控制型防盗器主要采用控制点火装置的模块,对点火系统进行控制,在车主离开汽车并打开防盗系统后,如有人非法进入车内,并试图用非法配制的点火钥匙起动车辆,这时,点火电路受控制模块防盗装置的作用,拒绝提供发动机运转所需的点火功能,同时也可防止点火开关的线路接通,并通过音响报警装置向车主或车场保管人员通报。

(2)油路防盗系统油路防盗系统的基本原理与点火控制防盗系统相似。

(3)美国Code Alarm汽车防盗系统目前所有防盗器最重要的部分是遥控的功能,因为遥控器就相当于汽车的钥匙,一旦被复制,防盗功能便荡然无存。

(4)其他防盗系统瑞典Volvo汽车公司S80型轿车开发出一套新型防盗系统,其中既有机械式、也有电子式,还有防砸功能。 二、汽车防盗装置的组成


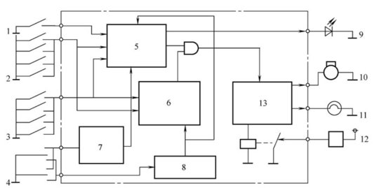
23.jpg

汽车电子防盗报警系统组成:1—汽车钥匙插入开关2—车门开关3—锁门开关4—点火开关5—报警状态设置电路6—是否盗贼检测判断电路7—30s定时器8—解除报警器9—LED指示灯10—报警器11—报警灯12—起动断电器13—报警电路

1.防盗保险装置

(1)系统动作调置所有的车门、发动机盖及行李箱关闭时,进行车门锁止,使防盗保险系统进入预警状态。 (2)闯入车厢检测当打开车门非法闯入车厢时能立即报警。 1)开闭开关。 2)电流电压。 3)超声波。 4)车辆姿势。 (3)警报 1)喇叭鸣叫。 2)前照灯、尾灯、转向灯闪烁。 3)起动电路隔断。4)指名呼叫。

2.防盗报警装置

24.jpg

防盗装置在车辆上的布置图

(1)防盗报警装置的基本构造如上图所示为该种装置框图。 (2)防盗报警装置的调置/重调置的方法调置方法可分为主动式与被动式两种。

25.jpg

防盗装置基本组成

(3)检测方法盗车检测的基本方法是,开启车门是在不正常的情况下进行操作。 (4)报警与阻止车辆行驶的方法报警方法通常采用喇叭鸣叫或灯光闪亮的方式。 (5)防盗装置的可靠性防盗装置必须安全可靠,绝不允许在深夜或者蓄电池电压增加时发生误动作。

26.jpg

3.电控中央门锁

(1)控制部分控制部分包括输入器、存储器、鉴别器、编码器、驱动级、抗干扰电路、显示装置、保险装置和电源等部分。 (2)执行机构中央门锁执行机构分两种形式:一种是电磁线圈形式,另一种是直流电动机形式。



全部回复0 显示全部楼层
暂无回复,精彩从你开始!

快速回帖

您需要登录后才可以回帖 登录 | 立即注册

本版积分规则